415 V/500 V cunha ranhurada JSU HRC elo fusível 92 mm
Aidun Electric “Solarson” Brand 415V/500V Slotted wedge JPU HRC fusível link 92mm para redes de fornecimento de eletricidade em conformidade com BS88: Parte 5, atende aos requisitos do documento preliminar IEC 60269-2 correspondente e também está em conformidade com os Padrões da Indústria de Fornecimento de Eletricidade do Reino Unido. Os elos fusíveis em conformidade com os requisitos da BS1361 estão disponíveis para ambos
recortes de serviços domésticos e unidades consumidoras. Além disso, também estão disponíveis conectores fusíveis domésticos BS1362 que atendem aos requisitos da IEC60269-3.
Dados técnicos
- Classificação de amperagem: 20A,32A,40A,50A,63A,80A,100A,125A,160A,200A,250A,315A,355A,400A,450A,500A,560A,630A,800A
- Tensão nominal: 415Vac/500VAC/690VAC
- Capacidade de interrupção: 80kA.
- Classe:gL/gG,aM
- Padrão:IEC60269,EN60269,BS88,
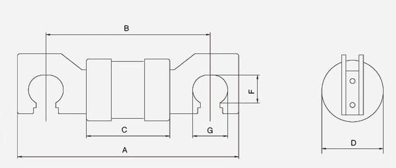
| Não. | Tipo de Produto | Número da peça do concorrente | Tensão nominal (V) | Corrente nominal (A) | Dimensão total (mm) | |||||
| A | B | C | D | F | G | |||||
| 18163 | JHU76 | JHU76 | 415/500 | 20-250 | 100 | 76 | 45 | 40 | 14 | 13 |
| 18164 | JPU82 | JPU82 | 415/500 | 20-400 | 111 | 82 | 45 | 40 | 14 | 17 |
| 18165 | JSU92 | JSU92 | 415/500 | 40-630 | 131 | 92 | 45 | 56 | 17 | 20 |
Dimensão
