Ligação de fusível de corte de iluminação pública LST 240 V CA
Interruptores de iluminação pública LST ligação fusível 240V AC
- Aidun Electric “Solarson” Brand 230V/240V LST interruptores de iluminação pública link fusível 240V AC são para uso em rua monofásica
- recortes de iluminação ou instalações semelhantes. Esses fusíveis estão em conformidade com a Indústria de Fornecimento de Eletricidade do Reino Unido
- Padrões e BS7654.
- Uma gama complementar de links sólidos/neutros está disponível para atender a nossa linha de fusíveis.
Dados técnicos
- Classificação de amperagem: 2A,4A,6A,10A,16A,20A,25A,32A
- Tensão nominal: 230VAC 240VAC
- Capacidade de interrupção: 50kA.
- Classe:gL/gG,aM
- Padrão: IEC60269,BS88,BS7654

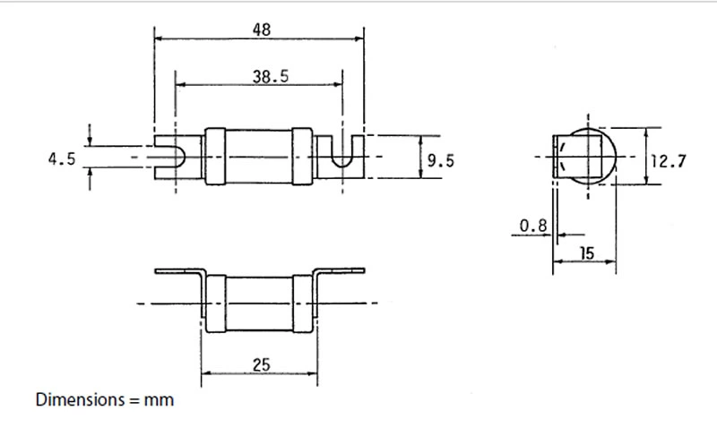
Dimensão
