Fusível britânico BS88 FM MT 690V AC / 160A-355A
China Aidun Electric produz “Solarson” Marca Britânica BS88 Fuse FM MT 690V AC / 160A-355A de acordo com IEC 60269-4, BS88-4.
Dados técnicos
- Classificação de amperagem: 160A,180A,200A,225A,250A,280A,315A,355A
- Classificação de tensão: 690 V CA
- Capacidade de interrupção: 200kA
- Classe: aR/gR
- Padrão:IEC60296-4 BS88-4.
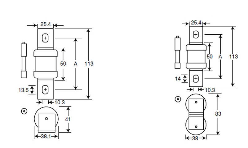
| Não. | Tipo de Produto | Número da peça do concorrente | Tensão nominal (V) | Corrente nominal (A) | Dimensão total (mm) |
| 183861 | FM | FM | 690 | 180-350 | Veja o desenho abaixo |
| 183862 | MT | MT | 690 | 160-355 | |
| 183863 | FMM | FMM | 690 | 400-700 | |
| 183864 | MMT | MMT | 690 | 180-710 |
Dimensão:
