Fusível de proteção de semicondutor de corpo quadrado NH00 1000 V CA / 20-225 A

Fusível de proteção de semicondutor de corpo quadrado NH00 1000 V CA / 20-225 A

Fusível de proteção de semicondutor de corpo quadrado NH00 1000 V CA / 20-225 A

China Aidun Electric produz "Solarson" Fusível de proteção semicondutor de corpo quadrado NH00 1000V AC / 20-225A IEC 60269-4.

Dados técnicos

  • Classificação de amperagem: 20A,32A,40A,50A,63A,80A,100A,125A,160A,200A,225A
  • Classificação de tensão: 1000 V CA
  • Capacidade de interrupção: 100kA
  • Classe: aR/gR
  • Padrão:IEC60296-4 DIN43 620
Não. Tipo de Produto Número da peça do concorrente Tensão nominal (V) Corrente nominal (A) Dimensão total (mm)
A B D E F G H
18254 RSM20Z78 170M,3NE1 1000 20-225 49 78 60 30 35 6 15

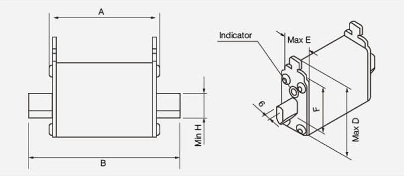
Dimensão: